Campo d'utilizzo :
Filtro passa banda VHF 144MHz ( 2 metri ) interamente realizzato dal pieno dell'alluminio con lega anticorodal 6060.
Permette la perfetta ricezione della banda dei 2 metri da 144 a 146MHz con una bassa perdita di inserzione ( tipicamente 0,35dB )
Elimina completamente le broadcasting FM da 88 a 108MHz grazie ad una attenuazione di oltre 90dB
Perfetto per :
- Eliminare i problemi di intermodulazione su sistemi radio operanti nella banda dei 2 metri
- Stazioni EME, TROPO, CONTEST e SAT
- Ponti radio radioamatoriali
- Possibilità di taratura del filtro anche in AMBITO CIVILE da 130 a 170MHz
Unicità :
Eliche realizzate in rame argentato da 3mm
Filtro ricavato dal pieno dell'alluminio tramite fresa a 3 assi
Leggero e compatto per poter essere installato ovunque
Connettori :
N femmina Amphenol®
N femmina Amphenol®
Materiali :
Molle in rame argentato da 3mm
Filtro in alluminio anticorodal 6060
Viti inox
Caratteristiche tecniche :
Perdita di inserzione tipica : 0,35dB
Attenuazione a 98MHz : 90dB
Massima potenza applicabile : 200W
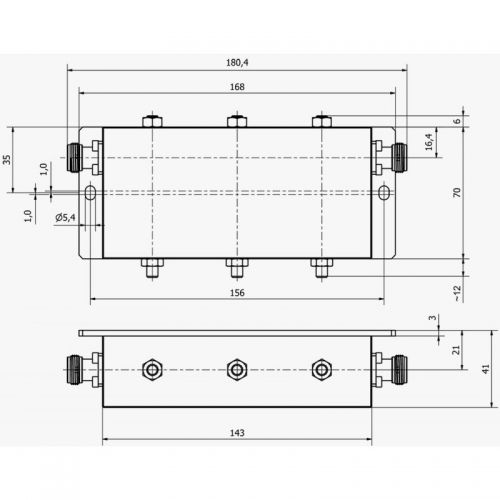
Dimensioni :

Grafico :
Misura dei parametri di scattering ( guadagno e return loss ) S11, S21, S12 e S22 eseguita tramite Rohde&Schwarz mod. ZNL3 calibrato

Carlo Bianconi
Via O.Trebbi 8/B - 40127 Bologna
email: Questo indirizzo email è protetto dagli spambots. È necessario abilitare JavaScript per vederlo. - Tel. e Fax. 051-5878825
P.IVA: 01953201207